上海研达员工培训测试--电子技能测试题
发布日期:2021-07-06

        上海研达非常重视员工技能培训,技术培训有电子设备装配调试通用作业文件的培训,也有调频广播发射机专用作业文件的培训,还会有工具、设备操作技巧研讨、以及各种卷面考核等形式,以确保工作人员对广播发射机、天线、多工器等产品的生产检验关键工序应知应会,确保产品质量符合国家标准,符合用户需求。2019年度 电子技能考核试卷_01.jpg

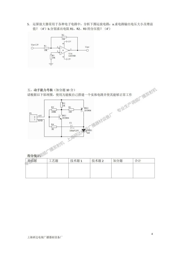
2019年度 电子技能考核试卷_02.jpg